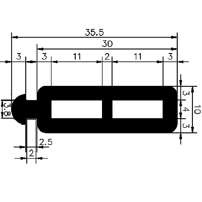
Профили- амортизаторы могут использоваться в строительстве в качестве виброгасителей и дистанционных профилей . Они идеально подходят для панелей, шлюзов, контейнеров, автомагистралей, звукоизоляционных стен, транспортных средств и другого промышленного оборудования.
